Q/BBE-C - Pieza loca con vástago corto
Fresa de mango corto para soldadura a tope SDR 11 - S5.
Accesorios cortos y largos diseñados para el transporte de fluidos a presión para aplicaciones de soldadura a tope y electrofusión.
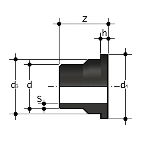
| Referencia | d | Z | h | d3 | d4 | S | g |
|---|---|---|---|---|---|---|---|
| QBBEC11020 | 20 | 54 | 5 | 27,4 | 30 | 1,9 | 12 |
| QBBEC11025 | 25 | 54 | 6 | 35,9 | 38,5 | 2,3 | 20 |
| QBBEC11032 | 32 | 54 | 6 | 41,4 | 44,5 | 2,9 | 25 |
| QBBEC11040 | 40 | 54 | 7 | 52,8 | 56,2 | 3,7 | 45 |
| QBBEC11050 | 50 | 54 | 7 | 58,8 | 62,2 | 4,6 | 53 |
| QBBEC11063 | 63 | 54 | 8 | 73,8 | 78,3 | 5,8 | 89 |