Conexión barrera de vapor con placa de refuerzo ignífuga para sistemas sifónicos de evacuación para cubiertas

Conexión barrera de vapor con placa de refuerzo ignífuga para sistemas sifónicos de evacuación para cubiertas

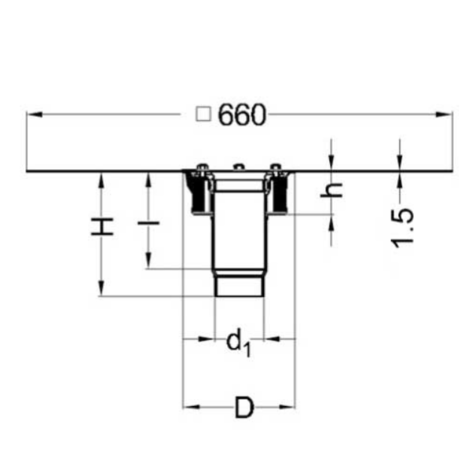
Conexión barrera de vapor con placa de refuerzo ignífuga según 18234 para sistemas sifónicos de evacuación para cubiertas. Para instalar en cubiertas metálicas aisladas en combinación con el sumidero Akasison XL75. En la parte superior de la placa metálica puede aplicarse una barrera de vapor o lámina bituminosa. En combinación con techos específicos, la placa metálica puede utilizarse como placa de refuerzo. El manguito PEAD puede instalarse para la evacuación del edificio cuando el aislamiento y los sumideros aún no están instalados.

Incluye :

  • Placa galvanizada incl. Akasison con collar ignífugo
  • Conexión PEAD
  • Brida y junta EPDM

Aplicación : Cubierta plana (cubierta metálica) según DIN 18234.

Conexión tubería :

  • Manguito electrosoldable Art. Nr. K410795.
  • Anillo para manguito d75 mm Art. Nr. K400730.

Salida : d 1 = 75 mm.

Tamaño del orificio : Ø 160 mm

Rendimiento : 1-17,7 l / s

Material : PEAD, acero galvanizado, acero inoxidable, SBR, EPDM

4 Tornillos rosca 8M

Referencia Descripción Características segmento División Familia Subfamilia Unidades por caja Medida d1 h
K747722 Conexión barrera de vapor con placa de refuerzo ignífuga para sistemas sifónicos de evacuación para cubiertas Placa galvanizada Incluida con collar ignífugo Edificación Pluviales Sistema sifónico de drenaje Akasison Sistema sifónico de cubiertas 1 Ø75 75 60

Descargas