Conjunto para sistemas de emergencia Akasison R90
Conjunto para sistemas de emergencia Akasison R90
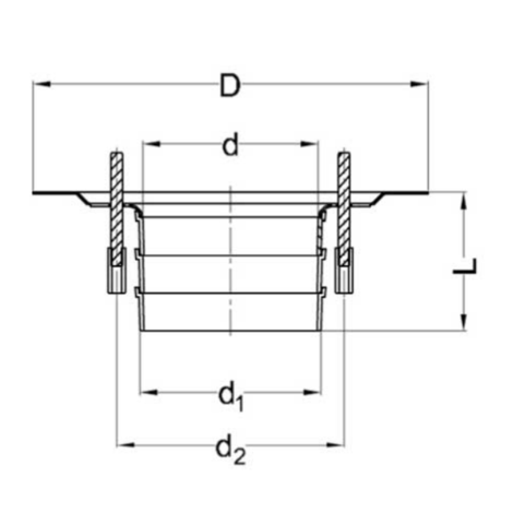
El conjunto para sistemas de emergencia Akasison puede instalarse en combinación con el sumidero para canalón R90.
Incluye :
- 1, 2 o 3 bridas de aluminio (30 mm de altura).
- Cuerpo de acero inoxidable para sistema anti-vórtex y rejilla para-hojas.
- Tornillo de fijación (conjunto de 2, rosca M8)
Aplicación : Sistemas de emergencia.
Rendimiento : 29,0 l/s a 64 mm.
Material : Aluminio/acero inoxidable.
| Referencia | Descripción | Características | segmento | División | Familia | Subfamilia | Unidades por caja | Medida | d | d1 | d2 |
|---|---|---|---|---|---|---|---|---|---|---|---|
| K740990 | Conjunto para sistemas de emergencia Akasison R90 | 1 brida | Edificación | Pluviales | Sistema sifónico de drenaje Akasison | Sistema sifónico de cubiertas | 1 | 30 | 115 | 120 | 150 |