Cubierta de PVC para calzadas B125
SUMIDEROS Y TAPAS PARA EL DRENAJE DEL SUELO
Los pozos y tapas monolíticos REDI pueden utilizarse como cámara de inspección para aguas claras y pluviales o como caja de inspección para derivaciones eléctricas o puestas a tierra.
Estructura de la tapa reforzada Clase B125.
Material: PVC.
Uso: Cierre de arquetas de inspección.
Instalación: La tapa lastrada y la rejilla encajan perfectamente en el pozo de registro Redi.
Para el cierre de arquetas de hormigón o para casos especiales recomendamos la instalación de la versión con marco.
Campo de aplicación: calzadas clase B125, aceras, zonas peatonales y similares, aparcamientos privados y aparcamientos a nivel.
Durabilidad: las características del PVC y el diseño constructivo confieren a este producto una excelente resistencia a la intemperie y al envejecimiento y garantizan la estabilidad dimensional a lo largo del tiempo.
Probado por el INSTITUTO GIORDANO.
Conforme a la norma EN124.
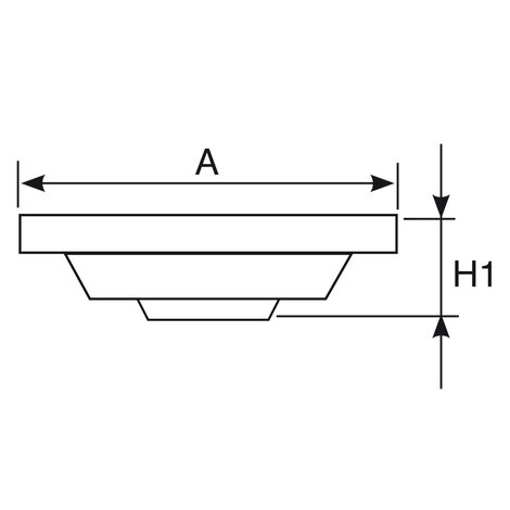
| Referencia | Características | Unidades por caja | Medida | B | H | Ø | RAL | A (mm) | hMm | H1 (mm) | Dim (mm) | kN |
|---|---|---|---|---|---|---|---|---|---|---|---|---|
| ECR3004 | B-125 | 2 | 300 X 300 | 284 | 67 | 300 x 300 | 7035 | 284 | 20 | 67 | 300x300 | >125 |
| ECR4004 | B-125 | 2 | 400 X 400 | 383 | 62 | 400 x 400 | 7035 | 383 | 25 | 62 | 400x400 | >125 |