EASY CLIP CITY
Easy Clip City OD Ø200 (para tubos de plástico de pared compacta de PVC/PP/PE)
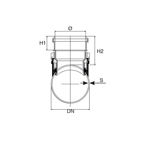
Easy Clip es un racor que permite la conexión a tuberías de Ø160 y Ø200 mediante un sistema de anclaje mecánico, sin necesidad de adhesivos.
Está indicado tanto para instalaciones en colectores nuevos como existentes, facilitando una instalación rápida, segura y fiable.
Características
- Conexión mecánica sin adhesivos.
- Compatible con tuberías de Ø160 y Ø200.
- Apto para instalaciones nuevas y rehabilitación.
- Junta de labio estándar para un sellado eficaz.
Incluye
- Racor suministrado en bolsa individual.
- Lubricante Camon Glide (Art. 6741500, tubo de 150 g).
- Instrucciones de montaje.
- 1 llave abierta por cada 6 piezas.
Accesorios relacionados
- Llave abierta de recambio – Cod. 0996606
- Código cúter: AD1513P
GUÍA PARA ELEGIR LA CONEXIÓN MECÁNICA CORRECTA CONFIGURADOR EASY CLIP
| Referencia | Unidades por caja | DN (mm) | Ø (mm) | S Max Tubería (mm) | L1 (mm) | L2 (mm) |
|---|---|---|---|---|---|---|
| 1431158 | 1 | 200 | 160 | 9 | 255 | 195 |